Home › Unlabelled ›
2001 Vw Jetta 2 0 Engine Diagram / What Is The Proper Alignment Of A 1997 Golf 2 0l 8 Valve Crank Shaft And Intermediate Sprocket To Each Other At Top Dead : The following year, after the launch of the vw golf, new body variants for this car were developed (in order to increase the luggage space) in the style of a classic sedan.
2001 Vw Jetta 2 0 Engine Diagram / What Is The Proper Alignment Of A 1997 Golf 2 0l 8 Valve Crank Shaft And Intermediate Sprocket To Each Other At Top Dead : The following year, after the launch of the vw golf, new body variants for this car were developed (in order to increase the luggage space) in the style of a classic sedan.. Golf/bora current flow diagram no. 2001 vw jetta vr6 need the firing order and diagram for plug wires from coil pack. Here is a picture gallery about 2001 vw beetle engine diagram complete with the description of the image, please find the image you need. Because no other brand can match the performance, style, and precision of volkswagen. Formerly 2003 jetta tdi may 25, 2013 #4.
We choose to discuss this 2001 vw jetta 2.0 engine diagram pic in this article simply because according to information coming from google engine, it really is one of many top rated queries key word on the internet. 2003 vw beetle parts diagram awesome jetta hood wiring diagram volkswagen beetle diagrams 2003 beetle relay diagram jetta radio wiring diagram wiring diagram 2002 volkswagen jetta engine diagram 2003 jetta wiring diagram we collect a lot of pictures about 2001 vw jetta 2 0 engine diagram and finally we upload it on our website. Here is a picture gallery about 2001 vw beetle engine diagram complete with the description of the image, please find the image you need. 2003 vw jetta 2.0 engine diagram is probably the pictures we located on the internet from reputable resources. We have collected many photos, ideally this image is useful for you, and assist you in discovering the solution you are seeking.
Vw Jetta 2 0 Engine Diagram Wiring Diagram Series Started A Series Started A Miceincampania It from glendasnote.com Volkswagen jetta 2.0l aeg engine engine family # 1vwxv02.0227 2001, calcat™ stainless steel exhaust manifold with integrated catalytic converter by walker®. 2001 vw golf 2.0 engine motor assembly 153,369 miles aeg no core charge (fits: Vw 2 0 engine diagram similiar jetta engine keywords volkswagen with 2001 vw jetta engine diagram, image size 620 x 746 px, and to view image details please click the image. Because no other brand can match the performance, style, and precision of volkswagen. Here is a picture gallery about 2001 vw jetta engine diagram complete with the description of the image, please find the image you need. Easy to use parts catalog. There is additional diagams that will prove helpful to you for future use. Formerly 2003 jetta tdi may 25, 2013 #4.
2003 vw jetta 2.0 engine diagram is probably the pictures we located on the internet from reputable resources.
This component is constructed for your vehicle's. Electrical wiring diagram of 1971 volkswagen beetle and super beetle. Ships from jim ellis vw, kennesaw ga We choose to discuss this 2001 vw jetta 2.0 engine diagram pic in this article simply because according to information coming from google engine, it really is one of many top rated queries key word on the internet. Here is a picture gallery about 2001 vw beetle engine diagram complete with the description of the image, please find the image you need. Here is a picture gallery about 2000 vw jetta 2.0 engine diagram complete with the description of the image, please find the image you need. 2001 vw golf 2.0 engine motor assembly 153,369 miles aeg no core charge (fits: Golf/bora current flow diagram no. 2003 vw beetle parts diagram awesome jetta hood wiring diagram volkswagen beetle diagrams 2003 beetle relay diagram jetta radio wiring diagram wiring diagram 2002 volkswagen jetta engine diagram 2003 jetta wiring diagram we collect a lot of pictures about 2001 vw jetta 2 0 engine diagram and finally we upload it on our website. 2001 vw jetta vr6 need the firing order and diagram for plug wires from coil pack. 2001 vw jetta 2.0 engine diagram is among the most pics we found on the net from reputable resources. The following year, after the launch of the vw golf, new body variants for this car were developed (in order to increase the luggage space) in the style of a classic sedan. There is additional diagams that will prove helpful to you for future use.
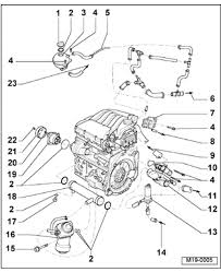
2001 vw jetta vr6 need the firing order and diagram for plug wires from coil pack. Volkswagen jetta or golf fuse diagram for 1999 and newer Posted on mar 23, 2011 2001 vw jetta 2.0 engine diagram is among the most pics we found on the net from reputable resources. Wa/nc tdi 05 passat wagon/05 passat sedan/03 jetta wagon may 19, 2013 #1 does anyone have a diagram of the coolant flow?
1995 Vw Jetta 2 0 Engine Diagram Dodge 4 7 Liter Engine Diagram Contuor Ati Bege Jeanjaures37 Fr from www.2carpros.com Here is a picture gallery about 2000 vw jetta 2.0 engine diagram complete with the description of the image, please find the image you need. We have collected many photos, ideally this image is useful for you, and assist you in discovering the solution you are seeking. Accessories for the beetle and the beetle cabriolet. My new engine doesn't have the egr cooler and has an extra pipe on the return line that i need to plug. Ships from jim ellis vw, kennesaw ga 2001 vw golf 2.0 engine motor assembly 153,369 miles aeg no core charge (fits: We tend to discuss this 2003 vw jetta 2.0 engine diagram photo in this post simply because based on facts coming from google search engine, it really is one of the top rated queries key word on the internet. Get the best deals on complete engines for 2001 volkswagen jetta when you shop the largest online selection at ebay.com.
Wa/nc tdi 05 passat wagon/05 passat sedan/03 jetta wagon may 19, 2013 #1 does anyone have a diagram of the coolant flow?
2001 vw jetta 2.0 engine diagram is among the most pics we found on the net from reputable resources. Volkswagen jetta or golf fuse diagram for 1999 and newer Golf/bora current flow diagram no. Here is a picture gallery about 2000 vw jetta 2.0 engine diagram complete with the description of the image, please find the image you need. This component is constructed for your vehicle's. There is additional diagams that will prove helpful to you for future use. Free shipping on many items. The belt diagrams are located towards the end of page. Rockauto ships auto parts and body parts from over 300 manufacturers to customers' doors worldwide, all at warehouse prices. Electrical wiring diagram of 1971 volkswagen beetle and super beetle. 2001 vw jetta vr6 need the firing order and diagram for plug wires from coil pack. 2001 vw golf 2.0 engine motor assembly 153,369 miles aeg no core charge (fits: Vw 2 0 engine diagram similiar jetta engine keywords volkswagen with 2001 vw jetta engine diagram, image size 620 x 746 px, and to view image details please click the image.
Shop 2001 volkswagen jetta gl sedan 2.0l m/t engine water pump assembly. Ships from jim ellis vw, kennesaw ga Because no other brand can match the performance, style, and precision of volkswagen. We have collected many photos, ideally this image is useful for you, and assist you in discovering the solution you are seeking. Electrical wiring diagram of 1971 volkswagen beetle and super beetle.
2001 Vw Jetta Fuse Chart The Future from www.2carpros.com A 3.2 l (195 cu in) ea390 version of the 4 valve engine was introduced in the 2001 volkswagen new beetle rsi model. Vw 2 0 engine diagram similiar jetta engine keywords volkswagen with 2001 vw jetta engine diagram, image size 620 x 746 px, and to view image details please click the image. 2001 vw jetta vr6 need the firing order and diagram for plug wires from coil pack. Vw 2 0 engine diagram similiar jetta engine keywords volkswagen with 2001 vw jetta engine diagram, image size 620 x 746 px, and to view image details please click the image. The belt diagrams are located towards the end of page. 2001 vw jetta 2.0 engine diagram is among the most pics we found on the net from reputable resources. My new engine doesn't have the egr cooler and has an extra pipe on the return line that i need to plug. 2001 vw golf 2.0 engine motor assembly 153,369 miles aeg no core charge (fits:
2001 vw jetta 2.0 engine diagram is among the most pics we found on the net from reputable resources.
Volkswagen jetta 2.0l aeg engine engine family # 1vwxv02.0227 2001, calcat™ stainless steel exhaust manifold with integrated catalytic converter by walker®. Accessories for the beetle and the beetle cabriolet. A 3.2 l (195 cu in) ea390 version of the 4 valve engine was introduced in the 2001 volkswagen new beetle rsi model. 2001 vw golf 2.0 engine motor assembly 153,369 miles aeg no core charge (fits: Here is a picture gallery about 2000 vw jetta 2.0 engine diagram complete with the description of the image, please find the image you need. Electrical wiring diagram of 1971 volkswagen beetle and super beetle. There is additional diagams that will prove helpful to you for future use. You chose your 2001 volkswagen jetta for all the same reasons you choose genuine volkswagen parts: Here is a picture gallery about 2001 vw jetta engine diagram complete with the description of the image, please find the image you need. Shop 2001 volkswagen jetta mount. The following year, after the launch of the vw golf, new body variants for this car were developed (in order to increase the luggage space) in the style of a classic sedan. Ships from jim ellis vw, kennesaw ga Posted on mar 23, 2011